Пример расчета преднапряженного перекрытия

Конструкция перекрытия представлена на рисунке ниже. Характеристики конструкции представлены в таблице.

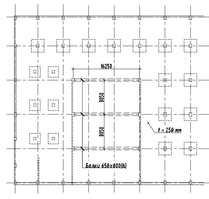
Рис.1. Схема перекрытия
Таблица 1. Характеристики перекрытия
Бетон В30
Ненапрягаемое армирование А500
Сечение преднапряженных балок 650х800 мм
Толщина плиты перекрытия 250 мм
Расчетная нагрузка на перекрытия с учетом с.в. 1.6 т/м2

Необходимо обеспечить несущую способность перекрытия за счет установки напрягаемого армирования.


1. Оценка несущей способности перекрытия без преднапряжения.

Проведем расчет конструкции и проверим требования по прогибам и количество необходимого армирования.

Рис. 2. Прогибы конструкции
Таблица 2. Результаты расчета конструкции без преднапряжения
Прогибы

Предельно допустимые: 61 мм

Расчетные: 80 мм

Превышение: 19 мм

Макс. требуемое армирование в балках 10d32
Макс. требуемое армирование в плите более d12s200 + d16s100

Необходимо:

- уменьшить прогиб на ~35%;

- уменьшить армирование.


2. Назначение количества и характеристик напрягаемого армирования.

В качестве напрягаемого армирования принимаем канаты К7-15.7-1860. Контролируемое усилие натяжения 22 т/канат.

Предварительно принимаем количество канатов из расчета 25 канатов на 1 м2 сечения: n = 0,65*0,8*25 = 13 канатов для каждой балки. Для удобства формирования пучков примем количество канатов 12 шт на балку.

Раскладка канатов: стандартная параболическая. Отступ канатов по вертикали от граней балки в характерных точках 150 мм. Отступ канатов принимается из требований конструирования, в стандартных случаях 125-150 мм.

Рис.3. Принятая раскладка канатов.

На данном этапе нас не интересует объединение канатов в пучки, расстановка анкеров и другие уточнения. Наша задача предварительно оценить эффективность преднапряжения конструкции.


3. Расчет эквивалентных нагрузок от преднапряжения.

Для определения потерь напряжения определим угол перегиба канатов ϴ. Угол ϴ для стандартной параболической раскладки можно посчитать здесь.

Определим усилия в канатах после всех потерь. Расчет потерь напряжения можно выполнить здесь.

Принимаем среднюю величину силы натяжения на анкерах с учетом потерь: 16,9 т.

Далее определим величину отпора. Эквивалентную нагрузку отпора при стандартной параболической раскладке можно вычислить здесь.


4. Определение прогибов.

По опыту проектирования: в перекрытиях, для которых выполнены условия по прогибам, требования по трещиностойкости также будут выполнятся без необходимости увеличения сечения. При этом не будет «переармирования» сечения.

Прежде чем выполнять расчет схемы, выполним аналитический расчет «вручную», а потом сравним с результатами расчета МКЭ. Попробуем оценить вклад преднапрягаемого армирования путем сравнения величин значений отпора и линейной нагрузки на балку, эквивалентной внешним нагрузкам.

Таблица 3. Вычисление эквивалентной линейной нагрузки от внешних нагрузок на балку
Собственный вес балки qбалки = 0,65м*0,8м*2,5т/м3 = 1,3 т/м.п.
Нагрузки, распределенные по площади

Длительные нагрузки соберем с грузовой площади, величину нагрузки найдем в расчетной схеме

qпл = 1,12т/м2 * 8,05м = 9 т/м.п.

Итого qсум = 10,3 т/м.п.

Вычислим прогиб с учетом преднапряжения на основании линейной зависимости:

f /qсум = fпн / (qсум – wb)

fпн = f * (qсум – wb) / qсум = 80 * (10,3-2,76) / 10,3 = 58,5 мм.

Прогиб перекрытия с учетом преднапряжения из расчета схемы: 57,9 мм.

Делаем вывод, что напрягаемого армирования достаточно для выполнения требований по прогибам.

Указанным «ручным» расчетом можно пользоваться для экономии времени при определении эффективности преднапряжения или подборе количества канатов напрягаемого армирования, не выполняя расчет КЭ схемы.


5. Расчет армирования.

Расчет усилий в балках выполняем при моделировании балок стержневыми КЭ без смещения. Рассмотрим наиболее напряженные сечения: на опоре и в центре пролета. Расчет сечения можно выполнить здесь.

Таблица 4. Усилия в опорном сечении балки
Таблица 5. Результаты расчета опорного сечения
Таблица 6. Усилия в пролетном сечении балки
Таблица 7. Результаты расчета пролетного сечения

Расчет армирования плиты выполняем стандартными средствами расчетного комплекса, в расчете учитываем усилия от напрягаемого армирования.